Dansk
Tid: 2026-04-25
Gennemse: 122

Den CH224K USB-PD Sink Controller er et kompakt integreret kredsløb designet til at forhandle strøm fra USB Type-C opladere.Den understøtter USB Power Delivery-protokoller og tillader en enhed at anmode om faste udgangsspændinger såsom 5V, 9V, 12V, 15V og 20V.Ved at håndtere kommunikation gennem CC-benene sikrer den stabil og kontrolleret strømforsyning uden at kræve kompleks firmware eller en ekstern mikrocontroller.
Denne controller forenkler USB-C strømdesign ved at bruge konfigurerbare ben eller modstande til at vælge det ønskede spændingsniveau.Den understøtter flere PD-standarder og kan håndtere høje effektniveauer op til 100W, hvilket gør den velegnet til effektiv strømstyring.Indbyggede beskyttelsesfunktioner såsom overspændings- og overtemperaturbeskyttelse hjælper med at forbedre systemets sikkerhed og pålidelighed.
Hvis du er interesseret i at købe CH224K, er du velkommen til at kontakte os for pris og tilgængelighed.

|
Pin
Nej. |
Pin
Navn |
Beskrivelse |
|
1 |
VDD |
Strømforsyning
input til chippen |
|
2 |
CFG2 |
Konfiguration
pin til valg af spænding |
|
3 |
CFG3 |
Konfiguration
pin til valg af spænding |
|
4 |
DP |
USB-data
positiv linje (bruges til protokoldetektion) |
|
5 |
DM |
USB-data
negativ linje (bruges til protokoldetektion) |
|
6 |
CC2 |
USB Type-C
Konfiguration Kanal 2 til PD kommunikation |
|
7 |
CC1 |
USB Type-C
Konfiguration Kanal 1 til PD kommunikation |
|
8 |
VBUS |
Strømindgang fra
USB-C-kilden |
|
9 |
CFG1 |
Konfiguration
pin til valg af spænding |
|
10 |
PG |
Kraft God
udgangssignal |
|
— |
GND |
Jordreference
for kredsløbet |
|
Specifikation |
CH221K |
CH224Q |
IP2721 |
HUSB238 |
CYPD3174 |
|
Protokolstøtte |
Kun PD 3.0/2.0 |
PD + QC + AFC |
PD + QC + AFC |
Kun PD |
PD
(programmerbar) |
|
Indgangsspænding
Rækkevidde |
4V – 22V |
4V – 22V |
3,6V – 24V |
3V – 24V |
Bred (afhænger af
config) |
|
Udgangsspænding
Valgmuligheder |
5V / 9V / 12V /
15V / 20V |
Samme som CH224K |
Fleksibel PD
profiler |
Fast PD
profiler |
Fuldt ud
programmerbar |
|
Max Power
Support |
Op til 100W |
Op til 100W |
Op til 100W |
Op til 100W |
Op til 100W+ |
|
Konfiguration
Metode |
Kun modstand |
Modstand/stift |
Pin / I²C
(varierer) |
Pin config |
Firmware (MCU
påkrævet) |
|
Ekstern MCU
Tiltrængt |
Nej |
Nej |
Valgfrit |
Nej |
Ja |
|
Hurtig opladning
Protokoller |
Nej |
Ja |
Ja |
Nej |
Begrænset |
|
Beskyttelse
Funktioner |
Grundlæggende |
OVP, OTP |
OVP, OTP |
OVP, OTP |
Avanceret
beskyttelser |
|
Kompleksitetsniveau |
Meget lav |
Lav |
Lav-medium |
Lav |
Høj |
|
Pakketype |
Lille SMD |
DFN / SMD |
SMD |
SMD |
QFN |

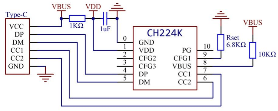
I dette diagram fungerer CH224K ved at forbinde til en USB Type-C-kilde og kontrollere, hvordan strøm modtages gennem USB Power Delivery-protokollen.Når kablet er tilsluttet, leverer VBUS-linjen indgangsspændingen, mens VDD-stiften forsyner IC'ens interne kredsløb.Kondensatoren hjælper med at stabilisere forsyningen, og seriemodstanden begrænser strømmen under opstart for at beskytte enheden.
CC1- og CC2-benene er forbundet med Type-C-interfacet og håndterer kommunikationen med opladeren.Gennem disse linjer sender CH224K en anmodning om et specifikt spændingsniveau.Den valgte spænding afhænger af konfigurationen af CFG1-, CFG2- og CFG3-benene, som bruger eksterne modstande til at definere det nødvendige output.
Efter vellykket forhandling leverer opladeren den ønskede spænding, og PG (Power Good) stiften bliver aktiv for at indikere, at udgangen er stabil.Dette viser, hvordan CH224K styrer USB-C-strømforsyningen på en enkel og kontrolleret måde uden behov for yderligere kontrollogik.
• USB Power Delivery Support – Kompatibel med USB PD 2.0 og 3.0 for stabil strømforhandling
• Flere spændingsudgange – Understøtter 5V, 9V, 12V, 15V og 20V valg
• Høj effektkapacitet – Håndterer op til 100W afhængigt af strømkilden
• Ingen MCU påkrævet – Fungerer uden en mikrocontroller, hvilket forenkler designet
• Pin-baseret konfiguration – Spændingen kan indstilles ved hjælp af CFG-ben eller modstande
• Type-C Interface Support – Fungerer direkte med USB Type-C-stik via CC1 og CC2
• Fast Charge Protocol Support – Kompatibel med QC, AFC og andre protokoller (variantafhængig)
• Bredt indgangsspændingsområde – Fungerer typisk fra omkring 4V til 22V
• Indbygget beskyttelse – Inkluderer overspændingsbeskyttelse (OVP) og overtemperaturbeskyttelse (OTP)
• Power Good Indikator – PG pin signaler, når udgangsspændingen er stabil
• Kompakt pakke – Lille SMD-pakke (ESSOP-10) til pladsbesparende design
• Lave eksterne komponenter – Kræver minimalt med ekstra dele til drift
• USB-C PD triggermoduler
• Bærbare strømforsyningskort
• Batteriopladningssystemer
• DIY justerbare spændingsadaptere
• Indbyggede systemstrømindgangsmoduler
• Bærbar strømkonverteringsgrænseflader
• LED driver strøm input kontrol
• Små elektroniske strømreguleringstavler
• Hurtigopladningskompatible enheder
• Industrielle kontrolstrømgrænseflader

Den CH224K USB-PD Sink Controller administrere USB-C strømforsyning i en bred vifte af elektroniske designs.Dens evne til at forhandle flere spændingsniveauer, kombineret med enkel konfiguration og indbyggede beskyttelsesfunktioner, gør den til et pålideligt valg til strømlinet strømstyring.Den klare stiftstruktur, lette integration og tilgængeligheden af alternative IC'er øger dens fleksibilitet yderligere til forskellige designkrav.Ved at forstå dens skematiske drift, specifikationer og muligheder kan designere effektivt implementere stabile og effektive USB-PD-strømsystemer.
Du vælger udgangsspændingen ved at indstille CFG-benene med specifikke modstandsværdier eller benkombinationer baseret på dataarket.
Nej, den anmoder om en fast spænding.Den tilgængelige strøm afhænger af opladerens understøttede PD-profiler.
Det kan falde tilbage til standard USB-spænding (5V), men fuld funktionalitet kræver en USB-PD-kompatibel oplader.
Controlleren vil som standard have en sikker spænding, normalt 5V, for at forhindre beskadigelse.
Grundlæggende beskyttelse er indbygget, men yderligere beskyttelse som sikringer eller TVS-dioder kan forbedre systemsikkerheden.
Spændingsstabilitet afhænger af USB-PD-kilden, men chippen sikrer korrekt forhandling og stabil udgang.
Nej, den understøtter kun valg af fast spænding gennem foruddefinerede konfigurationer.
Det fungerer muligvis kun ved 5V, da USB-A ikke understøtter fuld USB-PD-kommunikation.
Forhandling sker typisk inden for millisekunder efter tilslutning.
Hold CC-ledninger korte, brug korrekt jordforbindelse, og placer afkoblingskondensatorer tæt på VDD-stiften for at få stabil ydeevne.
CAP CER 0.015UF 6.3V X5R 0201
CAP CER 200PF 50V C0G/NP0 0603
CAP CER 39PF 16V NP0 0402
CAP CER 4.7UF 50V X7R 1812
MOSFET P-CH 30V 5.1A 6TSOP
IC TRANSCEIVER FULL 4/4 28SOIC
SI4925DY-T1 VISHAY
IC SRAM 18MBIT 133MHZ 100LQFP
TOSHIBA BGA
IC REG BOOST 4.5V 800MA 6DSBGA
TPD12S521DBRG4 TI
IC MCU 32BIT ROMLESS 132PQFP
OCTAL D-TYPE FLIP-FLOP

